Winch Endless Wire Rope Mtrac
+ Add to Quote RequestThe Mtrac endless winch is designed to solve a specific customer need. The Mtrac is a safe and simple wire rope hoist perfect for portable lifting and handling applications.
The rope of the endless winch is not collected during operation so there is no limit to the lifting height when using this product! Simply connect the wire rope and power to the device and you have a versatile lifting solution.
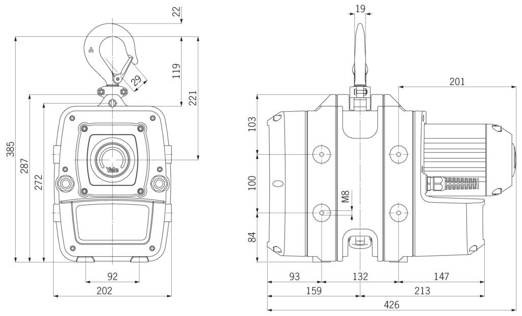
The compact design of the frame includes a carry handle and mounting feet that allows the winch to be transported and positioned with confidence during set-up and operation.
Choose from single-phase or three-phase power options. The standard lifting capacity is with a single-fall arrangement. The lift capacity can be doubled by adding the two-fall (dual reeving) option.
Additional Information

SPECIFICATIONS:
- Push-button pendant control (IP 65 rated enclosure)
- Low-voltage control circuit 42V
- Carry handle with comfortable plastic grip
- Mounting feet on the housing for stability during set-up
- Power supply 400V three phase or 230V single phase
- For safety, the load clutch is located outside of the load path
- Limit switches for the upper and lower positions ensure safety
- An electromagnetic brake holds the load safely in the event of power failure
- IP 55 rating

OPTIONS:
- A transport and carrying frame (designed to protect the housing)
- Double reeving (two falls) doubles the load capacity
- Additional hook kit for bi-directional lifting
- Lifting ropes of various lengths
- Radio remote control (wireless)
- Power and control cables of various lengths
- Stainless steel wire ropes


































