Load Skates – Air Bearing Kits
+ Add to Quote RequestSolving Air Skate Load Movers (also known as Air Bearings Modules or Air Skids) are an excellent choice for moving complex and extremely heavy loads.
Designed to withstand and handle a variety of bulky loads and items of machinery, these air skates can move up to 360 tonnes. They float equipment, assemblies and massive loads along a friction-less cushion of air. Pressure regulators, located within the control units of the air skates, increase this air pressure to raise the load off the floor. The thin film of air that forms under each module is what allows the loads to be positioned and moved with ease.
- Move extremely heavy loads fast
- Can handle up to 360 tonnes
- Increases productivity
- Eliminates manual handling risks
Additional Information
| Easily control heavy loads with these innovative air skates!
Our air skates float massive loads along even surfaces with a cushion of air, accurately and safely. It is recommended that at least three to four air skate modules are utilised, per heavy load, and as far a part as possible. This ensures maximum stability as the extreme weight of the load is evenly distributed between each module. Each bearing is connected to the control unit and compressed air supply. Once engaged, they allow for easy movement and precise positioning. Learn more by watching our how to video! |
Quality of flooring matters!
To achieve optimum air skate performance, level, non-cracked and smooth flooring is required (avoid steps and cracks). The quality of the floor affects air consumption and the force required to move each heavy load. For occasional moves, a substandard floor can be improved using thin sheet steel or PVC.
Technical Data
Air Skate Load Mover systems include:
Optional accessories include:
|
![]() |
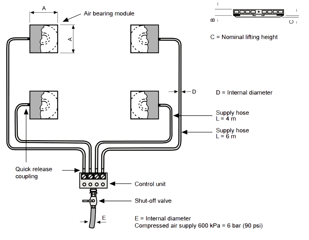
As outline above, each load module system includes four or six load modules with quick disconnect fittings, one control unit, 30 m air supply hose with on/off ball valve, 2 x 4 m (3 x 4 m) and 2 x 6 m (3 x 6 m) long interconnecting hoses with quick couplings. Non-standard hose lengths are available on request. The module plates marked with X are made of aluminium extrusion with a rubber cloth glued on the top surface. The module plates for MLS 408, 412 and 612 marked with C are made of cast aluminium. The module plates for MLS 415 and 615 marked with XL are made of a low profile aluminium extrusion.
EXPLANATION OF H & S TYPE DIFFERENCE
The ’H’ sets have high capacity bearings, which uses a higher pressure (roughly 2 times the pressure used in the ‘S’ sets), they might also have a bigger control box and larger hoses in order to cope with the increased air requirements, otherwise they are the same.
Need something a bit bigger?
For details on air skate systems that move loads up to 1000 tonne, please view our Air Film Movers.
To view more videos on Air Film Movers & AGV’s click here
To view photo gallery & industries that use Air Film Movers click here
If you want to carry and drive loads up to 200tonnes have a look at our Self Propelled Load Movers.
Click the PDF button to learn more.






















