-
Bollards & Asset Protection
-
Collision Alert Systems
- Safety Barriers
-
Traffic Control & Hazard Warning
- Adhesive & Floor Markers
- Anti-Slip Products
- Cable & Hose Protection
- Convex Mirrors
- Dangerous Goods Cabinets
- Dangerous Goods Stores
- Emergency Showers
- Fall Arrest Systems
- Glasses & Vests
- Marking Tapes & Paints
- Matting & Flooring Systems
- Portable Safety Signs
- Safety Cans
- Safety Signs
- Spill Containment
- Spill Recovery
Gates Flexible Impact Absorbing
+ Add to Quote Request








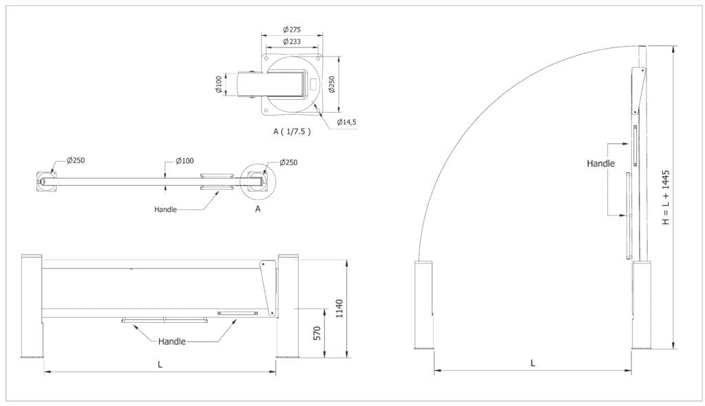
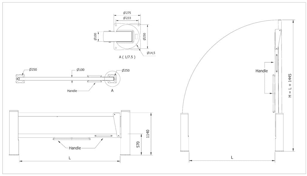
The Flex Impact Dock Gate is a safety gate that acts as fall protection at loading docks or as an impact-absorbing barrier to separate people from forklifts.
With an impact resistance of 16 kJ, the Flex Impact Dock Gate is the strongest polymer safety gate in the world.
Dock Gate is the ideal fall protection for workers around the loading dock. It is also suitable for protecting staff from entering forklift traffic areas.
Prevent accidents from occurring in your workplace with a flexible impact-absorbing Dock Gate.
This innovative product improves safety within a workplace and prevents access to areas where an incident may occur.
Providing strength and reliability in the loading dock area, Dock Gate prevents accidents between forklifts and pedestrians.
The patented polymer construction absorbs impact, keeping people and structures safe from any impacting forces.
Additional Information
“The primary function of a safety gate is to prevent people from entering an unsafe zone. A safety gate forces pedestrians to stop and open the gate before leaving a safe zone, making them think twice before acting.”

The Dock Gate is fitted with a gas strut assist mechanism and ergonomic handles for smooth and controlled closing.
The Dock Gate bollards absorb impacts and can protect the doorway of a loading dock from damage.
The design is very compact, requiring minimal space for installation.
Installation is quick as a Dock Gate consists of three pre-assembled elements.

Click the PDF button to learn more.
Product Variations
| Image | Description | Product Code | Price (excl. GST) | |
|---|---|---|---|---|
![]() |
Dock Gate |
DG250R-3000 | ||
![]() |
Dock Gate FORCE |
DG250F-3660 |
Related Products
-

Wheelchair Mover Powered
Wheelchair Mover Powered -

Flex Impact Traffic Barrier Plus
Flex Impact Traffic Barrier Plus -

Loading Dock Vehicle Restraint Handy Chock
Loading Dock Vehicle Restraint Handy Chock -

Pallet Trucks – Powered Lithium
Pallet Trucks – Powered Lithium -

Mezzanine Pallet Safety Gates
Mezzanine Pallet Safety Gates




















